Harxon
Anti-Jamming GNSS Antenne ZT022
Anti-Jamming GNSS Antenne ZT022
Art.-Nr.:: Art.-Nr.: 80.2102
Mengenrabatte auf Anfrage verfügbar.
Innerhalb von 6 Wochen lieferbar
Angebot anfragen Vollständige Details anzeigen


- Beschreibung
- Datentabelle
Die Anti-Jamming GNSS Antenne ZT022 ist eine zuverlässige Positionierungslösung, die Ihre Systeme vor Funkstörungen und Jamming schützt. Sie kombiniert ein Anti-Jamming-Antennenarray und ein GNSS-Antennenelement in einem robusten, maritimen Gehäuse. Das System kann gezielte oder unbeabsichtigte Störungen und Jamming-Effekte mindern, sodass der GNSS-Empfänger weiterhin korrekt funktioniert. Dank niedrigem Stromverbrauch (15 W), geringem Gewicht (1,9 kg) und kompakten Abmessungen (Ø178 x H56 mm) ist dieses Produkt für eine schnelle Bereitstellung ausgelegt und bietet zukunftssichere Kompatibilität, ideal für verschiedene Schiffstypen.
Kerntechnologien
- 6-Element B1L1E1-Anti-Jamming-Antennenarray, kombiniert mit einem GNSS-Antennenelement für alle Bänder
- Mehrstufige Vorfilter zur effektiven Unterdrückung von Außensignalen (>40 dB bei 1509 MHz & 1629 MHz)
- Verbesserter Blitz- und Überspannungsschutz
- Robuster, 10-W-Burn-Out-resistenter Chip
- Integriertes Antennendesign mit stoß- und vibrationsfestem Gehäuse, wasserdicht und staubgeschützt nach IP67
- Spezielle Korrosionsschutzbeschichtung, ideal für maritime Anwendungen
- Flexible Montageoptionen: Oberflächen- und Mastmontage
Integrierte Multi-Element Anti-Jamming Antenne
Die Anti-Jamming-GNSS-Antenne ZT022 verfügt über ein 6-Element B1L1E1 Anti-Jamming-Antennenarray an den Außenbereichen und ein zentrales GNSS-Antennenelement. Die zentrale GNSS-Antenne unterstützt GPS, BDS, Galileo und GLONASS und bietet RTK-genaue Positionierung in störungsfreien Umgebungen. Im Falle von Störungen wechselt ZT022 automatisch in den Anti-Jamming-Modus, aktiviert das Antennenarray und sorgt weiterhin für präzise Positionsdaten. Dieses System meistert komplexe Umgebungen mit gezielten und zufälligen Störungen und schaltet automatisch zwischen Anti-Jamming- und Normalmodus um.
Hervorragende Anti-Jamming-Fähigkeiten
ZT022 bewältigt Störungen durch bis zu sechs B1L1E1-Signalquellen und hält eine maximale Leistung von -30 dBm für eine Quelle, -40 dBm für drei Quellen und -45 dBm für sechs Quellen aus. Unterhalb dieser Werte liefert ZT022 zuverlässig stabile und zuverlässige Satellitensignale zur Positionsbestimmung, ohne Vorabkenntnisse der Störbedingungen zu benötigen.
Verbesserte Außensignalunterdrückung
ZT022 ist mit einem robusten, 10-W-Burn-Out-resistenten Chip ausgestattet, der die Lebensdauer verlängert und die Zuverlässigkeit unter schwierigen Bedingungen verbessert. Mehrstufige Vorfilter mindern Außensignale (>40 dB bei 1509 MHz und 1629 MHz) und verhindern eine Sättigung der GNSS-Antenne, was eine zuverlässige Funktion in komplexen elektromagnetischen Umgebungen gewährleistet.
Robuste und langlebige Konstruktion
ZT022 bietet ein integriertes Antennendesign mit IP67-zertifiziertem Schutz gegen Wasser und Staub, sodass die Kernkomponenten vollständig versiegelt sind. Das robuste Gehäuse aus Fiberglas und der Sockel aus Aluminiumlegierung bieten außergewöhnliche Beständigkeit gegen Stöße und Vibrationen. Eine spezielle Anti-Korrosionsbeschichtung ist für den langfristigen maritimen Einsatz vorgesehen. Blitz- und Überspannungsschutz sind eingebaut, um die Sicherheit der Antenne zu erhöhen. Flexible Montageoptionen wie Oberflächen- und Mastmontage stehen zur Verfügung, um den Anforderungen der Kunden gerecht zu werden.
Zubehör
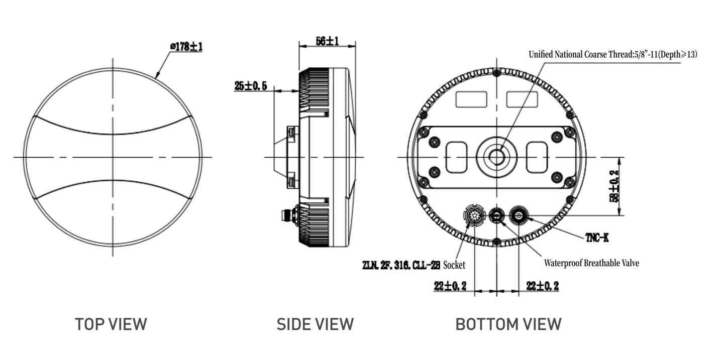
Das 5/8-Zoll-Mastmontagezubehör ist optional und separat erhältlich. Die Standardmontage für die Anti-Jamming-GNSS-Antenne erfolgt über eine 4-Loch-Schraubmontage.
Parameter | Details |
Antennenelemente | 6-Elemente B1L1E1 Anti-Jamming Antennenarray |
Vollband GNSS Antennenelement (GPS L1/L2, BDS B1/B2b, Galileo E1/E5, GLONASS L1/L2) | |
Isolation | Co-Frequency Einheit Antenne ≤ -15 dB |
Verstärkung | 3 dBic |
VSWR | ≤2.0 |
Impedanz | 50Ω |
Polarisation | Zentralelement: Rechtszirkulare Polarisation |
Peripherelemente: Lineare Polarisation | |
LNA Verstärkung @ B1/L1/L2 (Hohe Präzision) | Anti-Jamming Antennenarray: 20±1 dB |
GNSS Antenne: 36±2 dB | |
Aussenband-Unterdrückung | @50M≥40dB @1509M & @1629M |
Rauschzahl | ≤2 dB |
Burnout-Widerstand | ≥10 W |
Betriebsspannung | DC 9-32V (Antenne LNA: 3.3-12V) |
Betriebsstrom | Jeder Kanal <120 mA |
Antennenarray-Elemente: <100 mA | |
Leistungsaufnahme | <15 W |
Anzahl der Störquellen | 6 |
Signal-Rausch-Verhältnis | Einzelelement ≥100 dB |
Dreifachelement ≥90 dB | |
Sechsfachelement ≥85 dB | |
Farbe | Grau-Weiß |
Abmessungen | Ø178 x H56 mm (ohne Stecker, Zubehör und Toleranzen) |
Gewicht | ≤1.9 kg (einschließlich Halterung) |
Montage | Oberflächenmontage (4-Loch Schraubmontage) |
Pfostenmontage (5/8 Zubehörpfostenmontage) | |
Stecker | RF-Signal: TNC-K |
Stromversorgung + Steuersignal: ZLN.2F.316.-CLL-2B Steckdose | |
Betriebstemperatur | -40°~+70° |
Lagertemperatur | -45°~+85° |
Wasserdichtheitsklasse | IP67 |
Salznebeltest | 28 Tage lang unter Verwendung von neutralem Salznebel durchgeführt |
Mechanischer Schocktest | ≤50 g |
Qualitätsstufe | Industriequalität |
Produktzertifizierung | RoHS |
Lokalisierungsrate | 100% |
Pin-Definition | 1: VCC (9~32V) |
2: VCC (9~32V) | |
3: GND | |
4: GND | |
5: RS232-TXD | |
6: RS232-RXD | |
7: RX232-GND | |
8-16: NC |